熔噴計量泵和熔噴液壓換網器在熔噴布生產線中的作用
作者:鄭州巴特熔體泵有限公司 時間:2020-05-26 11:42:52
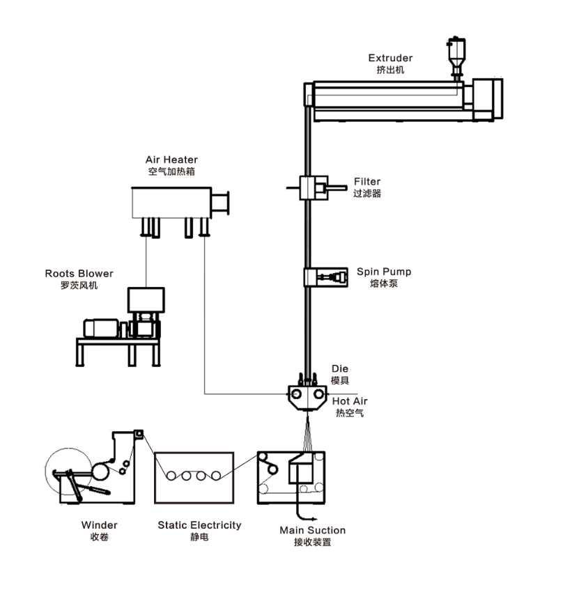
熔噴生產線設備主要包括:螺桿擠出機、熔噴布計量泵、熔噴換網器、熔噴裝置、卷繞裝置機、空氣系統(熱風機與加熱器)等。螺桿擠壓機作用是:將切片物料熔化;熔噴布計量泵其作用是:計量,控制產量和纖維的細度,將熔體連續均勻輸送到噴絲頭。熔噴換網過濾器其作用是:將熔體中的雜質過濾掉,以免堵塞噴絲孔。卷繞裝置機的作用是:將熔噴布成卷包裝。空氣系統(熱風機與加熱器)的作用是:提供紡絲氣流拉伸時所用的熱空氣的溫度與壓力。

熔噴計量泵和熔噴液壓換網器的作用
熔噴布計量泵其作用是:計量,控制產量和纖維的細度,將熔體連續均勻輸送到噴絲模頭。熔噴液壓換網器其作用是:將熔體中的雜質過濾掉,以免堵塞噴絲孔。目前擠出機是65及以上型號,熔噴換網器普遍采用熔噴雙柱換網器,因為柱式液壓換網器擁有更高耐壓、耐磨、長時間使用不漏料等優勢。

熔噴布計量齒輪泵
鄭州巴特提供的熔噴布計量泵采用外嚙合式斜齒輪設計,比直齒輪結構運轉時,間隙小,脈沖小,運轉平衡,振動小。齒輪軸和軸套之間的潤滑由原料熔體自潤滑,無需另加潤滑劑,保證原料的純凈。采用電加熱棒加熱,加熱效果好、更安全,而且引出線都接入一個接線盒內的插線方式更為安全。

熔噴雙柱液壓換網器
熔噴雙柱液壓換網器采用一體化設計,優化設備空間和能耗;它可以實現不停機換網操作;熔噴換網器主體采用特制合金材料經過嚴格的鍛打、表面熱處理和精密的金屬加工工藝而成;而且還采用高質量的熱處理工藝和嚴格質量控制體系,確保產品使用的穩定性和耐久性;熔噴雙柱液壓換網器相比手動換網器、板式液壓換網器,它優化結構設計,實現引料排氣功能,徹底消除換網過程中熔體壓力及溫度的波動問題。

鄭州巴特專業技術團隊根據熔噴用計量泵、熔噴換網器的特點,確定標準產品、進一步優化生產工藝以及車間延長工作時間等措施,保證熔噴計量泵、熔噴換網過濾器的供應。鄭州巴特熔體泵廠家在過去數十年里,專注于塑料、化纖、無紡布、化工等行業所需的換網過濾器和熔體計量泵整合解決方案等的研發和生產制造,是內大型擠出機廠商定點配套單位。鄭州巴特近些年為內無紡布裝備制造企業提供了大批定制化熔噴計量泵,具有無脈動、計量精準、壽命長等優勢。
上一篇:熔噴機高溫計量泵為什么選擇鄭州巴特
下一篇:從六個方面來提升熔體齒輪泵使用壽命


